Bạn đang tìm hiểu về cách đấu nối ATS với máy phát điện để đảm bảo hệ thống điện hoạt động tự động và liên tục ngay khi mất điện? Sơ đồ đấu ATS là một yếu tố quan trọng giúp bạn dễ dàng nắm bắt và thực hiện việc kết nối giữa thiết bị phát điện và hệ thống lưới điện.
Trong bài viết này, chúng tôi sẽ cung cấp chi tiết sơ đồ đấu ATS với máy phát điện, giúp bạn hiểu rõ hơn về nguyên lý hoạt động, cách lắp đặt chính xác, từ đó đảm bảo an toàn và hiệu quả cho hệ thống điện của doanh nghiệp.    1. Tổng quan về tủ điện ATS - Automatic Transfer Switch
Tủ điện ATS (Automatic Transfer Switch) là một trong những bộ phận quan trọng và không thể thiếu của hệ thống máy phát điện. Nhiệm vụ chính của tủ ATS là tự động chuyển đổi nguồn điện từ lưới điện chính sang nguồn điện dự phòng khi xảy ra sự cố như mất pha, ngược pha hoặc mất nguồn. Điều này đảm bảo hệ thống điện hoạt động liên tục, ổn định ngay cả trong trường hợp khẩn cấp. a. Cấu tạo của tủ điện ATS
- Vỏ tủ điện ATS: Được làm từ thép mạ kẽm và phủ lớp sơn tĩnh điện bên ngoài để chống oxy hóa. Kích thước của vỏ tủ thay đổi tùy theo công suất và nhu cầu sử dụng.
- Thiết bị chuyển mạch tự động: Tủ ATS được trang bị các chế độ chuyển mạch, có thể tự động hoặc chuyển đổi bằng tay theo yêu cầu của người dùng.
- Bộ điều khiển tủ ATS: Có vai trò điều khiển thiết bị chuyển mạch theo thời gian.
- Hệ thống thanh cái đồng: Được thiết kế phù hợp với dòng điện định mức của hệ thống, giúp phân phối điện hiệu quả.
- Nút ấn, màn hình LCD và hệ thống đèn chỉ thị: Những thiết bị này giúp người vận hành dễ dàng theo dõi và điều chỉnh các chế độ hoạt động của tủ điện.
Ngoài ra, tủ ATS có thể được trang bị tính năng giám sát và điều khiển từ xa, giúp người dùng tiện lợi hơn trong quá trình vận hành.
b. Nguyên lý hoạt động của tủ điện ATS
Tủ điện ATS hoạt động bằng cách kết nối giữa hệ thống lưới điện và máy phát công nghiệp. Khi hệ thống phát hiện sự cố mất điện, tủ ATS sẽ tự động kích hoạt quá trình chuyển đổi nguồn, cấp điện cho phụ tải từ máy phát điện. Khi điện lưới chính được khôi phục, tủ ATS sẽ ngắt kết nối với thiết bị phát điện và kết nối lại phụ tải với lưới điện chính.
Đặc biệt, các hệ thống tủ điện ATS cao cấp còn có tính năng đồng bộ hóa, cho phép kết nối nhiều máy phát điện cùng lúc để đảm bảo nguồn điện không bị gián đoạn, ngay cả trong các tình huống phức tạp.
2. Các dạng sơ đồ đấu nối tủ điện ATS
Khi đấu nối tủ điện ATS, tùy vào cấu hình và yêu cầu kỹ thuật có 3 dạng sơ đồ đấu nối phổ biến dựa trên nguyên lý điều khiển qua bộ điện tử của tủ ATS, bao gồm:
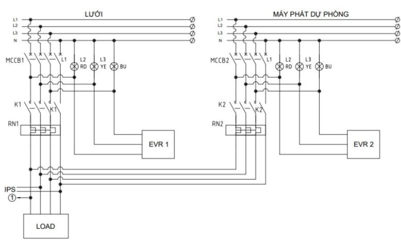
a. Kết nối trực tiếp lưới điện vào bảng điều khiển máy phát
Phương pháp này chủ yếu được dùng trong các hệ thống đơn giản, yêu cầu kết nối nhanh giữa nguồn điện lưới và máy phát mà không cần thông qua bộ phận điều khiển trung gian.
Kiểu kết nối này chỉ được áp dụng khi bảng điều khiển của thiết bị phát điện có hỗ trợ chức năng ATS control. Ưu điểm của nó là không yêu cầu lập trình phức tạp, bạn chỉ cần 2 MCCB (Máy cắt dòng cực đôi) và một khóa chéo về điện để đảm bảo an toàn khi chuyển đổi giữa điện lưới và máy phát. Phương pháp này đơn giản nhưng hiệu quả, phù hợp cho những hệ thống có bảng điều khiển hỗ trợ đầy đủ chức năng ATS.

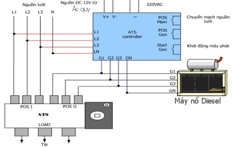
Nguyên lý hoạt độngb. Kết nối tủ điện ATS thông qua cổng điều khiển từ xa (remote start)
Phần lớn các bảng điều khiển tủ ATS đều hỗ trợ kết nối, bạn chỉ cần cài đặt lại bảng điều khiển để tích hợp chức năng này. Kiểu kết nối này khá phổ biến và phù hợp với các hệ thống đơn giản, cho phép điều khiển từ xa mà không cần can thiệp sâu vào lập trình.
Kiểu 3: Kết nối thông qua cổng truyền thông hiện đại
Đây là kiểu kết nối tiên tiến, cho phép truyền dữ liệu nhanh chóng giữa tủ ATS và máy phát qua mạng nội bộ. Tuy nhiên, để thực hiện kiểu kết nối này, bạn cần có kiến thức về lập trình và đảm bảo rằng chỉ kết nối với mạng điều khiển nội bộ, tránh rủi ro bảo mật. Hiện nay, chỉ có một số ít công ty sử dụng kiểu kết nối này do yêu cầu kỹ thuật cao và chi phí đầu tư lớn.
Mỗi một kiểu đấu nối này phù hợp với từng loại hệ thống điện và yêu cầu khác nhau, giúp đảm bảo sự ổn định và an toàn trong quá trình vận hành.
  

 Sơ đồ đấu nối3. Lưu ý khi đấu nối tủ điện ATS với máy phát điện
Khi lắp đặt tủ ATS, cần chú ý đến việc bảo vệ đầu phát điện. Một số nhà sản xuất sẽ tích hợp sẵn MCCB (aptomat dạng khối) để bảo vệ đầu phát trong hệ thống, giúp đảm bảo an toàn và tiện lợi. Tuy nhiên, có những nhà cung cấp khác lại không trang bị sẵn MCCB, mà để khách hàng tự chọn thiết bị phù hợp. Điều này đòi hỏi người sử dụng phải lựa chọn MCCB phù hợp với công suất và yêu cầu của hệ thống để đảm bảo an toàn và hiệu quả khi vận hành.
Nếu tủ điện ATS được lắp đặt ở khoảng cách xa máy phát điện hoặc thiết bị MCCB có công suất quá lớn, không nên để dòng điện của MCCB trực tiếp chạy qua các tiếp điểm của bảng điều khiển.
Thay vào đó, bạn nên sử dụng một rơ-le trung gian, rơ-le này sẽ giúp duy trì sự ổn định của dòng điện và đảm bảo an toàn cho hệ thống, tránh các rủi ro về quá tải hoặc hư hỏng linh kiện trong quá trình vận hành.
Nhìn chung, sơ đồ đấu ATS máy phát điện không đơn giản nhưng cũng không quá phức tạp. Tuy nhiên để đảm bảo an toàn thì việc tham khảo ý kiến từ các đơn vị có chuyên môn cao về lắp đặt tủ AST là cực kỳ cần thiết.